加载中...
加载中...
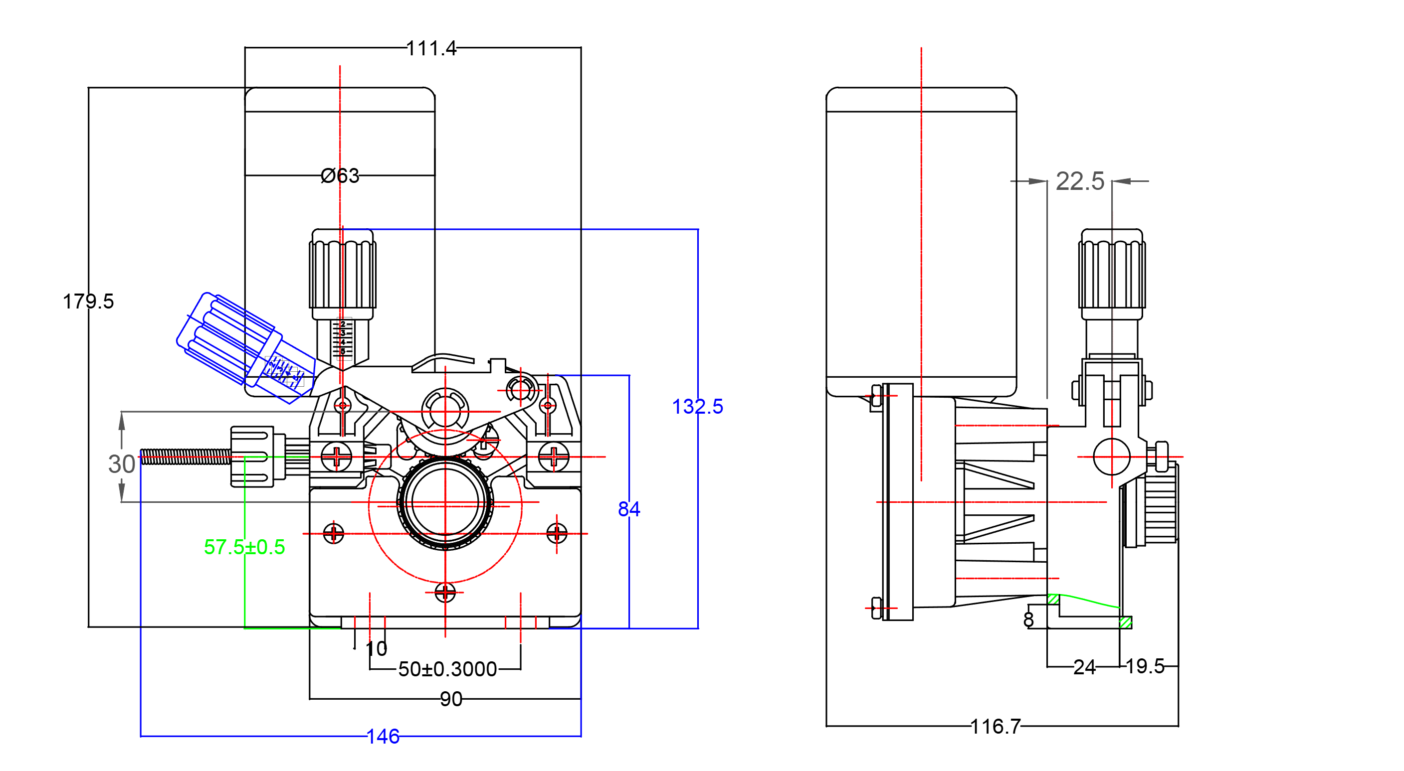
15KGSSJ-BLL23
送丝机 - 15KG送丝机
产品详情
产品性能 Properties of product
额定电压
Rated Voltage
(VDC)
24
42
额定电流
Rated Current
(A)
3.5
2
功率
Power
(W)
65
送丝速度
Feed Speed
(m/min)
2-18/24
焊丝直径
Wire Diam
(mm)
Φ0.6-1.2
送丝槽形
Groove
V,U,K
电机升级测速反馈
Upgrade speed test feedback
可以
OK

